Princíp funkcie tenzometrického snímača sily

591 slov

Princíp funkcie tenzometrického snímača sily je na obrázku 1. Pre jednoduchosť zoberme oceľovú tyč dĺžky L a prierezu S , na ktorú pôsobí v smere ťahu sila F . Tyč sa predlžuje v smere osi, pričom na základe Hookovho zákona je predĺženie priamo úmerné pôsobiacej sile, t.j. Δ L L F .

Princíp tenzometrického snímača sily
Obr. 1: Princíp tenzometrického snímača sily

Predpokladajme, že po celej dĺžke tyče je nalepený odporový vodič s prierezom S w . Jeho elektrický odpor je R = ρ L S w , kde ρ je merný elektrický odpor daného vodiča. Predlžovaním tyče sa zväčšuje aj dĺžka vodiča a súčasne sa zmenšuje jeho prierez. V dôsledku toho sa odpor vodiča zväčší o hodnotu Δ R . Relatívne zväčšenie odporu Δ R R je do určitého rozsahu tiež lineárne a v konečnom dôsledku teda priamo úmerné pôsobiacej sile. Z toho sa dá odvodiť základná rovnica ktorá popisuje prevod mechanickej veličiny (sily) na elektrickú (odpor): Δ R R = k Δ L L

Koeficient k sa nazýva k-faktor. Ak označíme relatívnu deformáciu ε = Δ L L , potom podľa Hookovho zákona pre mechanické napätie platí σ = ε E , kde E je modul pružnosti tyče. Prakticky to znamená, že relatívna zmena odporu bude závisieť okrem veľkosti sily F aj od vlastností použitého materiálu. Je teda rozdiel, či bude snímač zhotovený napr. z ocele alebo z hliníka. V praxi sa deformácia nemeria pomocou odporového vodiča, ale prvku ktorý sa nazýva tenzometer.

Tenzometer
Obr. 2: Tenzometer

Bežný kovový tenzometer je fólia s rozmermi približne 10 x 12 mm a je na nej kovová vrstva v tvare meandra (obrázok 2). K-faktor kovového tenzometra je približne 2. Existujú aj polovodičové tenzometre ktoré majú k-faktor až približne 200, majú však iné nedostatky, najmä teplotnú nestabilitu. Tenzometre sa lepia na teleso špeciálnym lepidlom na báze epoxidu. V praxi sa pri konštrukcii snímačov len zriedka používa jeden tenzometer. Na teleso sa aplikuje viacero tenzometerov, najčastejšie štyri a zapájajú sa do mostíka. Získa sa tým väčší signál a lepšie vlastnosti snímača. Nominálny odpor mostíka býva obvykle 350 Ω.

Konštrukcia jednoduchého snímača sily

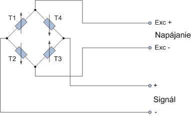
Príkladom jednoduchého snímača sily môže byť plochý oceľový nosník, na jednom konci votknutý a na druhom namáhaný na ohyb (obrázok 3). Na nosníku sú aplikované spolu štyri tenzometre, dva zhora a dva zdola. Pri pôsobení sily F sa nosník ohýba a v dôsledku toho sa horné tenzometre (T1, T3) naťahujú a dolné (T2, T4) stláčajú. Aby bol signál maximálny, zapájajú sa tenzometre do mostíka, podľa obrázku 4. Tenzometre T1, T3 zväčšujú svoj odpor, tenzometre T2, T4 zmenšujú.

Ak sa na mostík medzi svorky Exc+ a Exc- pripojí napájacie napätie, napätie na diagonále mostíka bude stúpať (v zmysle označenia svoriek +, -). Na tomto princípe, t.j. časť konštrukcie snímača sa pri pôsobení sily stláča, časť sa naťahuje, pracuje väčšina štandardných tenzometrických snímačov sily. Teleso konštrukcie sa nazýva deformačné teleso a bývajú na ňom aplikované štyri tenzometre (dva sa stláčajú, dva sa naťahujú), zapojené do mostíka.

Jednoduchý tenzometrický snímač sily
Obr. 3: Jednoduchý tenzometrický snímač sily
Zapojenie tenzometrov v snímači sily
Obr. 4: Zapojenie tenzometrov v snímači sily

Pripojenie snímača k elektronickej jednotke

Z konštrukcie tenzometrického snímača sily je zrejmé, že elektronická jednotka na spracovanie signálu musí mať dve aspoň časti. Sú to: zdroj napájacieho napätia pre mostík a zosilňovač signálu. Takáto jednotka sa obvykle nazýva prevodník a jeho bloková schéma vrátane pripojenia snímača je na obrázku 5. Ako vidieť prevodník má ešte niektoré ďalšie bloky. Blok napájania prevodníka je potrebný vtedy, keď má byť na výstupe aj záporné napätie. Aktívny filter sa používa na zníženie šumu a zvýšenie stability výstupného signálu. Pri niektorých prevodníkoch sa dá prepínať medzná frekvencia filtra. Prevodník na prúd je nevyhnutný, ak sa požaduje na výstupe aj prúdový signál. Všetky uvedené bloky majú aj prevodníky EMS169 a EMS170.

Bloková schéma prevodníka s pripojeným snímačom
Obr. 5: Bloková schéma prevodníka s pripojeným snímačom
Košík
Nákupný košík je prázdny.